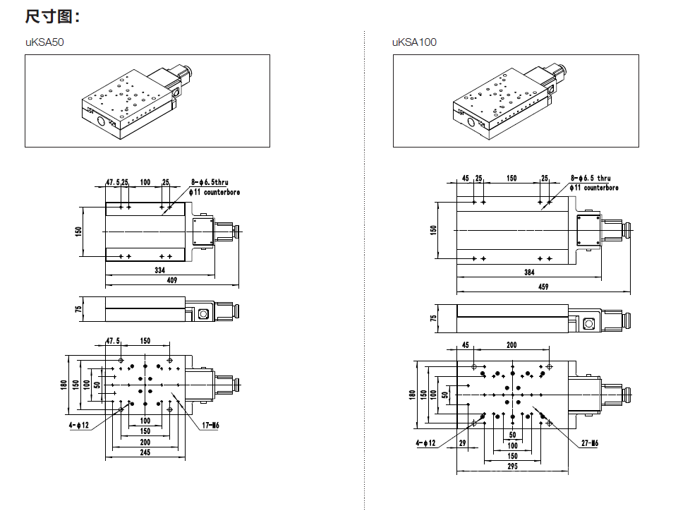
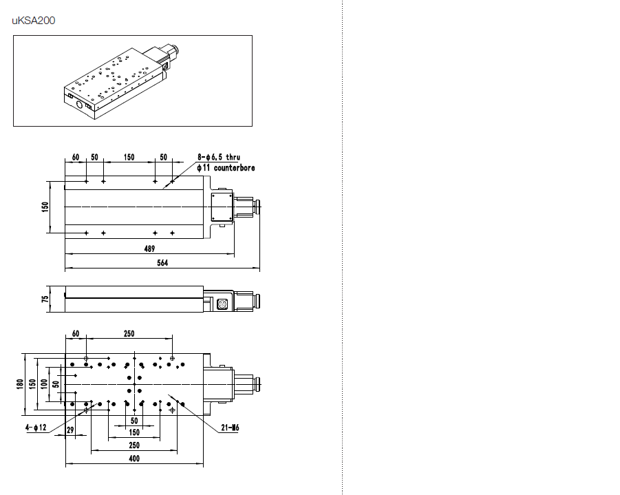
- 卓立汉光uKSA系列超高精密电动直线滑台uKSA100
详细信息
品牌:卓立汉光 型号:uKSA100 加工定制:否 说明:
uKSA 系列超高精密电动直线滑台是卓立汉光开发的电动滑台产品,该系列产品采用进口滚珠丝杠和交叉滚柱导轨,内置进口光栅尺实现闭环分辨率0.1μm,其运动精度达到国际水平。该系列产品按行程分为50、100、200mm 等三款产品,配合卓立汉光的MC6003P 或TMC-USB 系列控制器,定位于超高精度要求的领域,如:超精密激光加工、超精密三维扫描测量等。
特点:
• 加厚的铝合金底座,配合精密磨削工艺,保证产品的精度和稳定型
• 内置进口精密光栅尺,闭环分辨率可达0.1μm
• 采用进口C3级滚珠丝杠驱动,具有超高定位精度
• 采用进口交叉滚柱导轨,具有超高运动精度,强度高,负载能力强
• 标配三相步进电机,有效降低电移台运行时的振动和噪音
选型表:
-
扫一扫,手机浏览




















